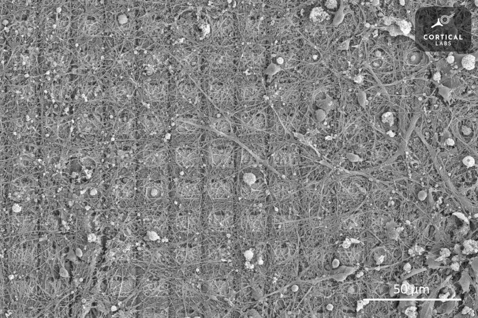
Πέρυσι, οι επιστήμονες του Πανεπιστημίου Monash δημιούργησαν το "DishBrain" - ένα ημι-βιολογικό τσιπ υπολογιστή με περίπου 800.000 εγκεφαλικά κύτταρα ανθρώπων και ποντικών που αναπτύχθηκαν εργαστηριακά στα ηλεκτρόδια του. Επιδεικνύοντας κάτι σαν αίσθηση, έμαθε να παίζει Pong μέσα σε πέντε λεπτά.
Η συστοιχία μικροηλεκτροδίων στην καρδιά του DishBrain ήταν ικανή τόσο να διαβάζει τη δραστηριότητα στα εγκεφαλικά κύτταρα όσο και να τα διεγείρει με ηλεκτρικά σήματα, οπότε η ερευνητική ομάδα έστησε μια εκδοχή του Pong όπου τα εγκεφαλικά κύτταρα τροφοδοτούνταν με ένα κινούμενο ηλεκτρικό ερέθισμα που αντιπροσώπευε σε ποια πλευρά της "οθόνης" βρισκόταν η μπάλα και πόσο μακριά βρισκόταν από το κουπί. Άφησαν τα εγκεφαλικά κύτταρα να ενεργήσουν στο κουπί, μετακινώντας το αριστερά και δεξιά.
Στη συνέχεια έστησαν ένα πολύ βασικό σύστημα ανταμοιβής, χρησιμοποιώντας το γεγονός ότι οι μικρές ομάδες εγκεφαλικών κυττάρων τείνουν να προσπαθούν να ελαχιστοποιήσουν την απρόβλεπτη κατάσταση στο περιβάλλον τους. Έτσι, αν το κουπί χτυπούσε την μπάλα, τα κύτταρα θα λάμβαναν ένα ωραίο, προβλέψιμο ερέθισμα. Αλλά αν αστοχούσε, τα κύτταρα θα λάμβαναν τέσσερα δευτερόλεπτα εντελώς απρόβλεπτης διέγερσης. Ήταν η πρώτη φορά που εγκεφαλικά κύτταρα που αναπτύχθηκαν στο εργαστήριο χρησιμοποιήθηκαν με αυτόν τον τρόπο, δίνοντας τους όχι μόνο έναν τρόπο να αντιλαμβάνονται τον κόσμο, αλλά και να ενεργούν σε αυτόν, και τα αποτελέσματα ήταν εντυπωσιακά.
Είναι αρκετά εντυπωσιακό, ώστε η έρευνα - που πραγματοποιήθηκε σε συνεργασία με την νεοφυή εταιρεία Cortical Labs της Μελβούρνης - να έχει προσελκύσει επιχορήγηση ύψους 407.000 δολαρίων από το πρόγραμμα National Intelligence and Security Discovery Research Grants της Αυστραλίας.
Αυτά τα προγραμματιζόμενα τσιπ, που συνδυάζουν τη βιολογική υπολογιστική με την τεχνητή νοημοσύνη, "στο μέλλον μπορεί τελικά να ξεπεράσουν τις επιδόσεις του υπάρχοντος, αμιγώς βασισμένου σε πυρίτιο υλικού", λέει ο επικεφαλής του έργου, αναπληρωτής καθηγητής Adeel Razi.
"Τα αποτελέσματα μιας τέτοιας έρευνας θα έχουν σημαντικές επιπτώσεις σε πολλούς τομείς, όπως, μεταξύ άλλων, ο προγραμματισμός, η ρομποτική, η προηγμένη αυτοματοποίηση, οι διεπαφές εγκεφάλου-μηχανής και η ανακάλυψη φαρμάκων, προσφέροντας στην Αυστραλία ένα σημαντικό στρατηγικό πλεονέκτημα", δήλωσε.
Με άλλα λόγια, οι προηγμένες δυνατότητες μάθησης του DishBrain θα μπορούσαν να στηρίξουν μια νέα γενιά μηχανικής μάθησης, ιδίως όταν ενσωματώνονται σε αυτόνομα οχήματα, μη επανδρωμένα αεροσκάφη και ρομπότ. Θα μπορούσε να τους δώσει, λέει ο Razi, "έναν νέο τύπο μηχανικής νοημοσύνης που είναι σε θέση να μαθαίνει καθ' όλη τη διάρκεια της ζωής του".
Η τεχνολογία υπόσχεται μηχανές που μπορούν να συνεχίσουν να μαθαίνουν νέες ικανότητες χωρίς να θέτουν σε κίνδυνο τις παλιές, που μπορούν να προσαρμόζονται καλά στις αλλαγές και που μπορούν να αντιστοιχίζουν τις παλιές γνώσεις σε νέες καταστάσεις - ενώ παράλληλα αυτοβελτιστοποιούν συνεχώς τη χρήση της υπολογιστικής ισχύος, της μνήμης και της ενέργειας.
"Θα χρησιμοποιήσουμε αυτή την επιχορήγηση", λέει ο Razi, "για να αναπτύξουμε καλύτερες μηχανές τεχνητής νοημοσύνης που θα αναπαράγουν την ικανότητα μάθησης αυτών των βιολογικών νευρωνικών δικτύων. Αυτό θα μας βοηθήσει να αυξήσουμε την ικανότητα του υλικού και των μεθόδων σε τέτοιο βαθμό ώστε να καταστούν βιώσιμος αντικαταστάτης των υπολογιστών πυριτίου".

Recommended Comments
Create an account or sign in to comment
You need to be a member in order to leave a comment
Create an account
Sign up for a new account in our community. It's easy!
Register a new accountSign in
Already have an account? Sign in here.
Sign In Now