veteranos123 Δημοσιεύτηκε Μάϊος 29, 2013 #1 Δημοσιεύτηκε Μάϊος 29, 2013 To rele της φωτογραφίας είναι rele εναλλαγής? Που μπορώ να βρω τέτοιο rele των 12volt στον Πειραιά?
Seafalco Μάϊος 29, 2013 #2 Μάϊος 29, 2013 Αυτό που δείχνεις είναι ένα ρελέ μεταγωγικής επαφής.Η κοινή επαφή δηλαδή θα ακουμπά η στην μια άλλη επαφή , η στην άλλη.Σε ηρεμία το ρελέ έχει σε επαφή την common με την Normally Close επαφή, όταν διεγερθεί έρχεται σε επαφή η common με την Normally Open επαφή.Τέτοια ρελέ είναι πολύ συνηθισμένα* , θα βρεις σε όλα τα σχετικά μαγαζιά, τώρα στον Πειραιά -δεν θυμάμαι καλά αλλά κάπου προς τον Άγιο Νικόλαο , είναι ένα μεγάλο μαγαζί με ναυτιλιακό εξοπλισμό που έχει και ηλεκτρονικά εξαρτήματα , ρελέ κλπ*Για να είμαι ακριβέστερος, η δυσκολία είναι να βρεις από τα άλλα ρελέ που έχουν λειτουργεία ON OFF και διαθέτουν μόνο την NO επαφή (αυτά είναι ρελέ που βάζουν σε αυτοκίνητα).Αλλά καλά θα ήταν να μας πεις περί τίνος πρόκειται γιατί υπεισέρχονται πολλοί ακόμα παράγοντες στην επιλογή ενός ρελέ!
veteranos123 Μάϊος 29, 2013 Author #3 Μάϊος 29, 2013 Αυτό που δείχνεις είναι ένα ρελέ μεταγωγικής επαφής.Η κοινή επαφή δηλαδή θα ακουμπά η στην μια άλλη επαφή , η στην άλλη.Σε ηρεμία το ρελέ έχει σε επαφή την common με την Normally Close επαφή, όταν διεγερθεί έρχεται σε επαφή η common με την Normally Open επαφή.Τέτοια ρελέ είναι πολύ συνηθισμένα* , θα βρεις σε όλα τα σχετικά μαγαζιά, τώρα στον Πειραιά -δεν θυμάμαι καλά αλλά κάπου προς τον Άγιο Νικόλαο , είναι ένα μεγάλο μαγαζί με ναυτιλιακό εξοπλισμό που έχει και ηλεκτρονικά εξαρτήματα , ρελέ κλπ*Για να είμαι ακριβέστερος, η δυσκολία είναι να βρεις από τα άλλα ρελέ που έχουν λειτουργεία ON OFF και διαθέτουν μόνο την NO επαφή (αυτά είναι ρελέ που βάζουν σε αυτοκίνητα).Αλλά καλά θα ήταν να μας πεις περί τίνος πρόκειται γιατί υπεισέρχονται πολλοί ακόμα παράγοντες στην επιλογή ενός ρελέ!Να σου πω την αλήθεια είναι περίπλοκο αυτό που θέλω να κάνω και γνωρίζω για αυτό ρελέ αλλά είχα κολλήσει και δεν θυμόμουν το όνομά του.
veteranos123 Μάϊος 29, 2013 Author #4 Μάϊος 29, 2013 Ρίξε μια ματιά εδώ αν θες. http://www.hlektronika.gr/forum/showthread.php?t=70573
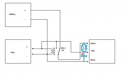
Seafalco Μάϊος 29, 2013 #5 Μάϊος 29, 2013 Καλησπέρα! Περίπλοκο δεν θα το έλεγα, αλλά ναι θέλει την προσοχή του! Για το λόγο αυτό σου βάζω το σχέδιο που έχεις στο άλλο forum στο οποίο έχω κάνει μια προσθήκη. (Το δικτύωμα με τα γαλάζια εξαρτήματα) Ο σκοπός αυτού του κυκλώματος είναι να κρατά αδιάλειπτη την παροχή τάσης στην είσοδο του κίτρινου καλωδίου που συντηρεί τις μνήμες. Μπορεί η μεταγωγή της επαφής του ρελέ να γίνεται πολύ γρήγορα, αλλά δεν είναι και ακαριαία! Οπότε καλό είναι να δέσουμε καλά το γάιδαρο μας! Ο πυκνωτής φορτίζεται μέσα από την αντίσταση "ευγενικά" χωρίς να ταλαιπωρεί την επαφή του ρελέ, και όταν ανοίξει το ρελέ (την ωρα που η Common επαφή κάνει την διαδρομή της από την NO προς την NC επαφή) η είσοδος του Radio CD τροφοδοτείται μέσω της διόδου με τάση , για να μην σβήσουν οι μνήμες. Η αντίσταση ας είναι 100 Ohm/ 1 Watt και η δίοδος 1 Α / 200 Volt ( η 1Ν4001 σε καλύπτει άνετα), ο πυκνωτής ας είναι 47μF / 35 Volt . To ρελέ μπορεί να είναι ένα οποιοδήποτε ρελέ με πηνίο στα 12 Volt και με μία μεταγωγική επαφή (η και με δύο), μην πάρεις κινέζικο, συνήθως οι θρόμβοι των επαφών τους είναι χάλια, προτίμησε Schrack, Finder, Omron, κλπ επώνυμα! Μπορείς να πάρεις κάποιο που θα έχει ποδαράκια για βύσματα fast On για να διευκολυνθείς στις συνδέσεις. Το δικτύωμα που σου πρόσθεσα μπορείς να το κάνεις "αεροκύκλωμα" και μετά να το κλείσεις μέσα σε ένα θερμοσυστελόμενο. Καλή συνέχεια!!!!
veteranos123 Μάϊος 29, 2013 Author #6 Μάϊος 29, 2013 Καλησπέρα!Περίπλοκο δεν θα το έλεγα, αλλά ναι θέλει την προσοχή του! Για το λόγο αυτό σου βάζω το σχέδιο που έχεις στο άλλο forum στο οποίο έχω κάνει μια προσθήκη. (Το δικτύωμα με τα γαλάζια εξαρτήματα) Ο σκοπός αυτού του κυκλώματος είναι να κρατά αδιάλειπτη την παροχή τάσης στην είσοδο του κίτρινου καλωδίου που συντηρεί τις μνήμες. Μπορεί η μεταγωγή της επαφής του ρελέ να γίνεται πολύ γρήγορα, αλλά δεν είναι και ακαριαία! Οπότε καλό είναι να δέσουμε καλά το γάιδαρο μας! Ο πυκνωτής φορτίζεται μέσα από την αντίσταση "ευγενικά" χωρίς να ταλαιπωρεί την επαφή του ρελέ, και όταν ανοίξει το ρελέ (την ωρα που η Common επαφή κάνει την διαδρομή της από την NO προς την NC επαφή) η είσοδος του Radio CD τροφοδοτείται μέσω της διόδου με τάση , για να μην σβήσουν οι μνήμες. Η αντίσταση ας είναι 100 Ohm/ 1 Watt και η δίοδος 1 Α / 200 Volt ( η 1Ν4001 σε καλύπτει άνετα), ο πυκνωτής ας είναι 47μF / 35 Volt . To ρελέ μπορεί να είναι ένα οποιοδήποτε ρελέ με πηνίο στα 12 Volt και με μία μεταγωγική επαφή (η και με δύο), μην πάρεις κινέζικο, συνήθως οι θρόμβοι των επαφών τους είναι χάλια, προτίμησε Schrack, Finder, Omron, κλπ επώνυμα! Μπορείς να πάρεις κάποιο που θα έχει ποδαράκια για βύσματα fast On για να διευκολυνθείς στις συνδέσεις. Το δικτύωμα που σου πρόσθεσα μπορείς να το κάνεις "αεροκύκλωμα" και μετά να το κλείσεις μέσα σε ένα θερμοσυστελόμενο. Καλή συνέχεια!!!! Για την δίοδο το σκέφτηκα και εγώ. Για τον πυκνωτή το κατάλαβα. Δεν κατάλαβα όμως την χρήση της αντίστασης.Δεν μπορώ να συνδέσω απευθείας τον πυκνωτή με το κίτρινο και μαύρο καλώδιο?
veteranos123 Μάϊος 29, 2013 Author #7 Μάϊος 29, 2013 Μπορούμε να υπολογίσουμε το κόστος του ρελέ, της διόδου, του πυκνωτή και της αντίστασης? Στο περίπου πάντα.
Seafalco Μάϊος 29, 2013 #8 Μάϊος 29, 2013 Άν βάλεις τον πυκνωτή χωρίς αντίσταση το πιο πιθανό είναι οι επαφές του ρελέ να κολλήσουν μεταξύ τους την πρώτη φορά που θα πάνε να κλείσουν , γιατί το ρεύμα φόρτισης ενός άδειου πυκνωτή (έστω και αν του δίνεις μόνο 12 volt), είναι ΠΟΛΥ μεγαλύτερο από αυτό που αντέχουν οι επαφές του ρελέ!!!Οπότε βάζεις την αντίσταση και πατάει "φρένο"!!!Κόστος ρελέ ας πούμε 5 E τα υπόλοιπα περίπου 1 Ε.Αν και είναι ανάλογα με το μαγαζί , δεν είναι ακριβά!
veteranos123 Ιούνιος 3, 2013 Author #10 Ιούνιος 3, 2013 Καλημέρα και καλό μήνα.Τα πήρα τα ρελέ και τα έφτιαξα μια χαρά. Παρατήρησα όσο άκουγα δυνατά τα ρελέ είχαν ζεσταθεί λίγο. Είναι φυσιολογικό αυτό? τελικά πυκνωτή δεν έβαλα γιατί μέχρι να αφοπλίσει το ρελέ προλαβαίνει και τα κρατάει οπότε είμαι κομπλέ
Recommended Posts
Archived
This topic is now archived and is closed to further replies.