Jump to content

Recommended Posts

Δημοσιεύτηκε

Καλημερα,

θελω να ελεγξω την ενταση ενος ενισχυτη με το παραπανω IC, απο οτι καταλαβαινω λειτουργει σαν 3pin pot.

Ο ενισχυτής ομως δεχεται 6pin pot. Μπορω απο την "εξοδο" του ic να δωσω και στις 2 "αναμονες" (wiper pins) του 6pin

ή θα πρεπει να χρησιμοποιήσω 2 ιδια ICs;

 

Ελπιζω να καταλαβατε την περιγραφη αν οχι βαρατε:hehe:

 

Ευχαριστω!

(edited)

δεν έχω μεγάλη εμπειρία οπότε όποιος άλλος έχει ας βοηθήσει για αρχή θα κάνω μερικές ερωτήσεις
 

το 6pin pot θα αναφέρεσαι σε διπλό ποτενσιόμετρο κάτι τέτοιο , αυτά τα χρησιμοποιούν συνήθως για έλεγχο δύο καναλιών ταυτόχρονα χωρίς να υπάρχει πτώση (αριστερό ενισχυτής και δεξιό ενισχυτή δηλαδή έξοδος Left - Right ) διότι είανι ανεξάρτητα μεταξύ τους

41g8DzSGCRL._SX342_.jpg

 

 

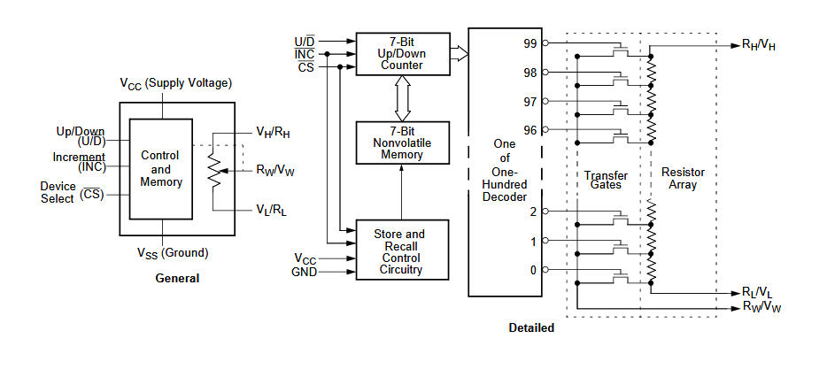
και σε ενδιαφέρει το το VH/RH, Rw/Vw, VL/RL από το ολοκληρωμένο που στην ουσία είναι οι έξοδοι παρακάτω με κίτρινο από το φύλλο

τώρα απλά αν τραβήξεις δύο παράλληλες γραμμές σε κάθε πινάκι της εξόδου του ολοκληρωμένου θα έχεις ένα αποτέλεσμα απλά θα είναι κατά ήμισυ /2 οπότε θα πρότεινα να βρεις κάποιο ολοκληρωμένο με 6 pot όπως και στο ποτενσιόμετρο παραπάνω

αλλά μπορείς για να μην μπεις σε αυτή την διαδικασία να βάλεις τα κουμπάκια παράλληλα και να χρησιμοποιήσεις δύο τσιπάκια οπότε με κάθε κλικ θα ανεβαίνουν το ίδιο

υπάρχουν κουμπάκια που είναι διπλοί διακόπτες δηλαδή να δίνεις με κάθε πάτημα ξεχωριστό σήμα

image.thumb.png.9e4514e745f0c504c59d22b0231f0965.png

 

image.thumb.png.e4ed0d4e094e9cda7aa94bfeb2191850.png

 

όπως είπα δεν έχω μεγάλη εμπειρία οπότε με προσοχή

 

edit @Seafalco τα φώτα σου ! ευχαριστώ

Έγινε επεξεργασία από ARMAGEDDON
  • Like 1

Σε ευχαριστω παρα πολυ φιλε μου. Ακριβως αυτη ειναι η περιπτωση.

Σκεφτηκα να χρησιμοποιήσω arduino και 2 ιδια ICs 1για καθε "3-αδα" (καναλι) του εικονιζομενου 6-pin pot. Πως σου φαινεται;

1 hour ago, Seek & Find said:

Σε ευχαριστω παρα πολυ φιλε μου. Ακριβως αυτη ειναι η περιπτωση.

Σκεφτηκα να χρησιμοποιήσω arduino και 2 ιδια ICs 1για καθε "3-αδα" (καναλι) του εικονιζομενου 6-pin pot. Πως σου φαινεται;

 

not bad !!! προχώρα το και περιμένω με το καλό να κάνεις και μια μικρή παρουσίαση :D

δοκίμασέ το και πρακτικά να δεις τι αποτέλεσμα θα έχει πιστεύω ότι θα είσαι οκ,  η εμπειρία που θα αποκτήσεις θα σε ανταμείψει πιστεύω !

  • Like 1

Ακριβως αυτό εχω σκοπό! Εχω παθει τρελη πορωση σκεφτομαι και για lcd για vol+ - μηνυματα.

Μακαρι να πανε ολα καλα.. αλλιως εδω θα μαστε!

Create an account or sign in to comment

You need to be a member in order to leave a comment

Create an account

Sign up for a new account in our community. It's easy!

Register a new account

Sign in

Already have an account? Sign in here.

Sign In Now
×
×
  • Δημιουργία...

Important Information

Ο ιστότοπος theLab.gr χρησιμοποιεί cookies για να διασφαλίσει την καλύτερη εμπειρία σας κατά την περιήγηση. Μπορείτε να προσαρμόσετε τις ρυθμίσεις των cookies σας , διαφορετικά θα υποθέσουμε ότι είστε εντάξει για να συνεχίσετε.