enduracell Ιούνιος 15, 2004 #61 Ιούνιος 15, 2004 Αν έχεις Lite-on DVD RW drive και DL media (ή και απλά) γράψε με το Nec κανένα και scanaρε το με το Kprobe2 για PI/PO (C1/C2) και postαρε φώτο, να δούμε τι ψάρια πιάνει...
DJD Ιούνιος 15, 2004 #62 Ιούνιος 15, 2004 DL media στο Πλαίσιο δεν έχουν δει ακόμα πάντως οι πωλητές.. (ή τουλάχιστον δεν ξέρουν να τα ξεχωρίζουν :whistling )
Hemispasm Ιούνιος 15, 2004 Author #63 Ιούνιος 15, 2004 Ρε παιδια μηπως ειναι double sided SL media και αυτα? saxon_747 εισαι σιγουρος οτι ειναι DL? EDIT: Προκειται για Double Sided SL media σιγουρα - το τσεκαρα και στο Insomnia // ραδιο αρβυλα .. λεω και εγω, πρωτοπορια στην Ελλαδα?? Παλι καλα που δεν μου ειπαν να παραγγειλω απο CDF
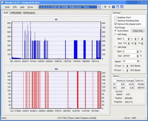
apotsi Ιούνιος 15, 2004 #64 Ιούνιος 15, 2004 Να ένα screenie από SL δισκάκι γραμμένο σε 8χ με το Nero...
apotsi Ιούνιος 15, 2004 #65 Ιούνιος 15, 2004 Δεν ξέρω τί σημαίνουν όλα αυτά τα νούμερα... Θα μας τα εξηγήσει ο Hemispasm....
enduracell Ιούνιος 15, 2004 #66 Ιούνιος 15, 2004 δεν είναι καλά... To PO γράφημα δείχνει τα C2 errors. Πολύ περίεργα αποτελέσματα. Σε τι εξοπλισμό το scanarες και το media τι layer είχε?τώρα είδα ότι είναι σε ΤΥ με SW832Sδε ξέρω αν παίζει ρόλο που χρησιμοποίησες ASPI...
Hemispasm Ιούνιος 15, 2004 Author #67 Ιούνιος 15, 2004 Τα C2 errors αναφερονται στα CDs - δεν ειναι τα ιδια με τα PO. (PI Errors - Parity Inner Errors / PO Errors - Parity Outer Errors) Ta PO errors ειναι στην ουσια τα PI uncorrectable errors.Γενικα πρεπει:PI Errors < 280 (μεγαλυτερα οξυκορυφα δεν λαμβανονται υποψην)PO Errors < 32 (μεγαλυτερα οξυκορυφα δεν λαμβανονται υποψην)Δεν πρεπει να ξεγελιεται κανεις απο την αρχικη ειονα που δινει το γραφημα - θα πρεπει παντα να κοιταει την κλιμακα (η οποια ειναι στο autoscale καθε φορα)Τολη το scan ειναι αν μην τι αλλο περιεργο οπως ειπε και ο unstoppable. Μπορεις να το επαναλαβεις?
enduracell Ιούνιος 15, 2004 #68 Ιούνιος 15, 2004 Σωστός Hemi, το κατέχεις το αντικείμενο :worship: δε θα πρέπει να χρησιμοποιήσει την άλλη επιλογή (δε θυμάμαι πως λέγεται) αντί του ASPI για acess στο drive?????
Hemispasm Ιούνιος 15, 2004 Author #69 Ιούνιος 15, 2004 Θεωρητικα δεν θα πρεπει να εχει σημασια αν θα χρησιμοποιησει SPTI η ASPI interface (αν δουλευουν σωστα δηλ) - δεν χανει κατι να δοκιμασει και με SPTI βεβαια.
Hemispasm Ιούνιος 15, 2004 Author #71 Ιούνιος 15, 2004 Δεν ειναι το αντιπροσωπευτικοτερο scan κακης ποιοτητας που εχω δει, αλλα δεν ειναι και καλο. Δοκιμασε με αλλες εγγραφες και keep us posted
apotsi Ιούνιος 15, 2004 #72 Ιούνιος 15, 2004 Μου έκανες την καρδιά περιβόλι...Τώρα γράφω ένα SL σε 4χ. Σε λίγο τελειώνει...
Hemispasm Ιούνιος 15, 2004 Author #74 Ιούνιος 15, 2004 Για να δωσω μια γενικη ιδεα για το τι πρεπει να περιμενει κανεις: Τελεια ποιοτητα εγγραφης Μετρια ποιοτητα εγγραφης Κακη ποιοτητα εγγραφης Το γραφω και το πεταω στα σκουπιδια Και παιδια κοιταμε παντα την κλιμακα
Hemispasm Ιούνιος 15, 2004 Author #75 Ιούνιος 15, 2004 Καταλαβες γιατι σου λεω apotsi οτι δεν ειναι αντιπροσωπευτικη εικονα? Μην απογοητευεσαι LOL
enduracell Ιούνιος 15, 2004 #76 Ιούνιος 15, 2004 Σωστός. Με 6x σε Princo εγώ δεν είχα πρόβλημα πάντως να το διαβάσει σε άλλο DVD drive, φαίνεται στα 8x υπάρχει πρόβλημα...
Hemispasm Ιούνιος 15, 2004 Author #77 Ιούνιος 15, 2004 Το οτι το διαβαζει σε αλλο drive δεν σημαινει οτι εχει καλη ποιοτητα - και οτι υπερβαινει τα standards για PI/PO δε σημαινει οτι δε διαβαζεται. Οι παραγοντες αυτοι περισσοτερο επηρεαζουν τη ποιοτητα του DVD με τη παροδο του χρονου - δηλ ενα DVD με αρκετα PI/PO εχει περισσοτερες πιθανοτητες να μην δiaβαζεται μετα απο καποιο καιρο (βδομαδες-μηνες-χρονος) απο καποιο αλλο που εχει λαθη μεσα στα αποδεκτα πλαισια.
blade_pan Ιούνιος 15, 2004 #78 Ιούνιος 15, 2004 παιδες αξιζει να παρω τωρα κατι η να περιμενω?κανα site για download του prog?
LordOfRings Ιούνιος 15, 2004 #79 Ιούνιος 15, 2004 Αρχική απάντηση από enduracell Σωστός. Με 6x σε Princo εγώ δεν είχα πρόβλημα πάντως να το διαβάσει σε άλλο DVD drive, φαίνεται στα 8x υπάρχει πρόβλημα... τι ?????? με 8x τα princo δεν παιζουν παντου?????... εγραψα και καμια 10αρια 8x
Recommended Posts
Archived
This topic is now archived and is closed to further replies.