Jump to content

OOS Fan Controller by Vatos-GV-Yiancar.


GeorgeVasil

Recommended Posts

  • Replies 80
  • Created
  • Last Reply

Επέστρεψα με κάτι σχεδόν έτοιμο:)

Μετά από πολλές ώρες να διαβάζω το datasheet του μικροεπεξεργαστή σας έχω 2 κατασκευές ;)

η πρώτη pic για τον φίλο μας στην ιρλανδία ;)

[ATTACH]8523[/ATTACH]

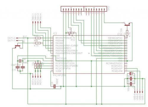
Και η δεύτερη είναι κάτι που έψαχνα εδώ και καιρό. LCD προγραμματιζόμενη για έξω από το κουτί, με τετραπλό "fan controller" 5A το κάθε κανάλι.Στην πραγματικότητα είναι σαν 4 ρελέ, τα οποια μπορούν να ανάψουν και να σβήσουν οποιοδήποτε από τα fans, χωρίς όμως να μπορούν να αλλάξουν την ταχύτητα του. (εφαρμόζεται και σε λάμπες etc) :)

[ATTACH]8522[/ATTACH]

Αύριο θα είναι έτοιμη και η πλακέτα που θα μπει μέσα στο pc. Όσοι ενδιαφέρονται για οποιοδήποτε από τα 2 ας ψηλώσουν το χεράκι για να υπολογίσω τιμές και να τελειοποιήσω πλακέτες :)

post-567-1414343463,0085_thumb.jpg

post-567-1414343463,0416_thumb.jpg

yea babe :D

[ATTACH]8525[/ATTACH]

here we go ;)

fans

[ATTACH]8530[/ATTACH]

Παιδιά όση ενδιαφέρονται το ξαναλέω ας το πουν, αν είναι να κάνω κανένα prototype να δούμε πως θα δουλέψει:)

Επίσης η lcd δουλεύει και χωρίς τα fans όπως και το vu που μπορεί να δουλέψει με 1 meter και χωρίς led :)

post-567-1414343463,1037_thumb.jpg

post-567-1414343463,1724_thumb.jpg

  • 2 weeks later...

Πρώτη φορα στην ζωή μου περνώ τόσα πολλά πράματα σε ένα πακέτο

[ATTACH]8597[/ATTACH]

Teaser unseen

[ATTACH]8598[/ATTACH]

post-567-1414343464,2998_thumb.jpg

post-567-1414343464,3342_thumb.jpg

όχι , http://cy.rsdelivers.com/ παραγγέλλεις έρχονται μέσα σε 3 μέρες με ελάχιστο κόστος από uk και έχεις 30 μέρες να πλήρωσης, νιώθω εταιρία πλέον :D

Έχει τα πάντα, από εργαλεία μέχρι και το πιο μικρό connector

  • 2 weeks later...
  • 2 weeks later...

[ATTACH]8726[/ATTACH]

περιμένω διεύθυνση Χρήστο :)

Δυστυχώς έχει μερικά μικρολαθάκια, έβγαλα λάθος τρύπες και δεν έμπαιναν τα σωστά sockets έτσι έβαλα pins. Επίσης , η κολλήσεις είναι λίγο χαλια όπως και η μύτη στο κολλητήρι:(

κατά τα αλλα είναι άψογο :D

post-567-1414343476,4699_thumb.jpg

post-567-1414343481,9742_thumb.jpg

μπράβο ρε θηρίο :p

μακάρι να είχα και εγώ χρόνο να κάνω τέτοια πειράματα :)

  • 2 weeks later...

Ευχάριστο Πάνο :)

Παιδιά έχω extra πλακέτες και υλικά αν ενδιαφέρεστε:) στείλτε ένα pm και θα σας στείλω ότι χρειάζεστε. Ολο το μαλλί είναι +- 15 ευρ ΧΩΡΙΣ τα meters που δυστυχώς δεν έχω αλλα :(

  • 2 weeks later...
  • 2 weeks later...

Μετά από αρκετό καιρό αναμονής, μπορώ επιτέλους να σας παρουσιάσω την OOS lcd :)

[ATTACH]9115[/ATTACH]

Μπορεί να υποστήριξη lcd μέχρι 20*4 χαρακτήρων, led ή buzzer για notifications, καθώς και διακόπτη τύπου scroll για να μεταφέρεστε μεταξύ τον settings. Προαιρετικά υπάρχουν και 4 on off switch για λάμπες ή fans

[ATTACH]9116[/ATTACH]

comments βελτιώσεις :)

post-567-1414343499,4171_thumb.jpg

post-567-1414343499,448_thumb.jpg

  • 5 months later...

Archived

This topic is now archived and is closed to further replies.

×
×
  • Δημιουργία...

Important Information

Ο ιστότοπος theLab.gr χρησιμοποιεί cookies για να διασφαλίσει την καλύτερη εμπειρία σας κατά την περιήγηση. Μπορείτε να προσαρμόσετε τις ρυθμίσεις των cookies σας , διαφορετικά θα υποθέσουμε ότι είστε εντάξει για να συνεχίσετε.