BeetleJuice Δημοσιεύτηκε Μάρτιος 18, 2008 #1 Δημοσιεύτηκε Μάρτιος 18, 2008 κορμαρες θελω να κανω 2 πατεντες που εχω σκεφτει και θελω 2 πραγματακια ενα ειναι οι διαστασεις στις τρυπες στο 775 σοκετ , δλδ και διαμετρο τρυπας και αποστασεις μεταξι των τρυπων το αλλο ειναι οι διαστασεις σε μια 3870χ2 απο τον ενα πυρηνα μεχρι τον αλλο και οι αποστασεις για τα τρυπηματα γιατ ο δευτερο εχω βρει αυτο νομιζω ειναι σωστο απλα αναρωτιομουν αν εχει παρει το ματι σας κατι παρομοιο σε πιο "επισιμη" μορφη τυπου white paper , κανα αρχειακι Pdf κτλ...
BeetleJuice Μάρτιος 20, 2008 Author #2 Μάρτιος 20, 2008 κανενας βρε παιδια μια ιδεα?κανα μαγαζι που να κανει χαλκινα πλακακια κοψιματα -κολησεις?
BeetleJuice Μάρτιος 20, 2008 Author #4 Μάρτιος 20, 2008 Μωρε και γω το σκεφτηκα αλλα κατι μου λεει οτι δεν πρεπει να ειναι τορνοςφρεζα ειναι αλλα τορνος-φρεζα πανε μαζι δεν πανεπρεπει να βρω διαστασεις ομωςστον τορνο-φρεζα κανουν κολληματα?αν δεν κανουν τοτε σε στελνουν αλλου για κολλημαε αυτο το αλλου φανταζομαι θα εχει και πλακακια-ραβδους χαλκινες οποτε γιατι να μην παω σαυτον που κολαει μια και καληκαι τρυπακι δαπεδου θαχει σιγουρα...
felix Μάρτιος 20, 2008 #5 Μάρτιος 20, 2008 Κορμί αν βρείς κανένα αρχηγείο να μας κάνει τέτοιες εργασίες ενημέρωσε διακρίτικά...Κι εγώ το ψάχνω τον τελευταίο καιρό...πιστεύω όμως πως το κόστος της customιάς θα είναι ανεβασμένο...Μιλούσα με φίλο μου σχετικά...μου είπε πως έχει να με στείλει σε μαγαζί καλο...θα μιλήσω μαζί του και θα σε ενημερώσω κι εγώ για τα σχετικά...
BeetleJuice Μάρτιος 20, 2008 Author #6 Μάρτιος 20, 2008 μπα το αντιθετοστο τσαμπε θα μας βγειεχε χαρη που δεν εχω παγια δουλεια , νομιζεις κολωνα να παρω ενα φρεζακι και ενα καθετο δραπανο ερασιτεχνικοεχε χαρη , μετα θα καναμε οτι γουσταραμε
felix Μάρτιος 20, 2008 #7 Μάρτιος 20, 2008 μια απο τα ιδια...προσωπικό μηχανουργείο = όνειρο ζωής!!! ...αλλά τεράστια έλλειψη χώρου...
BeetleJuice Μάρτιος 20, 2008 Author #8 Μάρτιος 20, 2008 που μενεις και τι εχεις εντοπισεισπυρου πατση ειναι παραδεισος ολο τετοια εχει αλλα εχει και σφαχτες που κοιτανε να σε κλεψουνεπισης σχετικα με τη διαδικασια κολημα-κοψιμο-φρεζα- τι γινεται και πουτο ιδιο μαγαζι δεν νομιζω να τα κανει ολαοποτε λεω οτι αν ειναι κατι απλο λογικα εκει που κανουν κολησεις θα μπορεσουν να βρουν ενα πλακακι και να το κολησουν ή να στο κοψουν λιγακιαν δεν εχουν πλακακι μπορεις να το παρεις μονοσ σου απο σκραπ εκει που πουλανε χαλκο
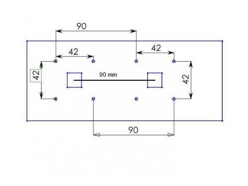
eleven Μάρτιος 20, 2008 #9 Μάρτιος 20, 2008 @BeetleJuice Κορμί ελπίζω να σε βοηθήσουν Στη 3870Χ2 οι διαστασεις που σου δίνω είναι αυτές που μέτρησα εγώ Εχω διαβασει στο νετ οτι η αποσταση των 42μμ είναι 42,5μμ Κάνε τις τρύπες σου στα 42.2 μμ τρύπα και με 1 μμ μεγαλύτερο τρυπάνι και θα είσα καλυμένος Οι τρύπες στην κάρτα είναι 3μμ Στο 775 τρύπα με 4,5μμ και χρησιμοποποίησε βίδα Μ4Χ οσο χρειάζεσαι
BeetleJuice Μάρτιος 20, 2008 Author #10 Μάρτιος 20, 2008 wow! χιλια ευχαριστω μιχαλη , νασαι καλα αρχηγε ελπιζω συντομα να εχω και τις πρωτες επαφες με τους συναδελφους σου για να μου κανουν τη ν πατεντα που θελω :T: ποσο παχος να δωσω αραγε 0,5εκ ελεγα πολυ ειναι η λιγο αραγε
akatanomastos Μάρτιος 21, 2008 #11 Μάρτιος 21, 2008 kaνε μια εκτυπωση το σχεδιο και στειλε μου ενα πμ να σου πω πως θα ερθεις εδω που δουλευω για να το φτιαξουμε .σε μηχανουργειο δουλευω και εχουμε απο ολα τα καλα ( φρεζα , τορνους , cnc ).
BeetleJuice Μάρτιος 21, 2008 Author #13 Μάρτιος 21, 2008 kaνε μια εκτυπωση το σχεδιο και στειλε μου ενα πμ να σου πω πως θα ερθεις εδω που δουλευω για να το φτιαξουμε .σε μηχανουργειο δουλευω και εχουμε απο ολα τα καλα ( φρεζα , τορνους , cnc ).ΕΠΙΤΕΛΟΥΣ ΜΕΤΑ ΑΠΟ 4 ΧΡΟΝΙΑ ΒΡΗΚΑ ΚΑΠΟΙΟΝ ΑΘΗΝΑ ΜΕ ΜΗΧΑΝΟΥΡΓΕΙΟσουρχομαι αμεσα για πολλα θεματα και με το αζημιωτο παντα
Recommended Posts
Archived
This topic is now archived and is closed to further replies.